
Выполнили подготовку рабочей документации по теплотехнической части и полный комплекс монтажных работ в рамках реконструкции котельной для подключения нового строения по адресу: Московская область, г. Наро-Фоминск, п. Новая Ольховка.
Проект включал техническое перевооружение котельной, демонтаж существующего оборудования, монтаж нового теплогенераторного оборудования и подключение инженерных систем вновь возводимого здания.
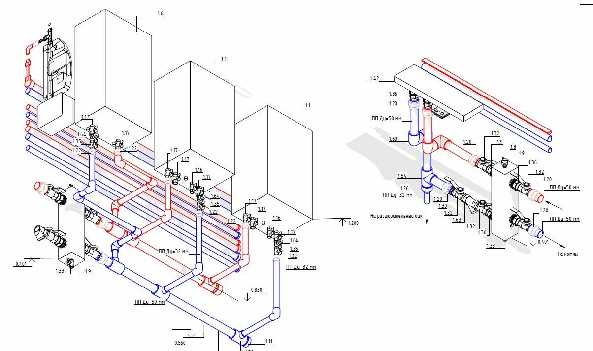
В рамках работ выполнили подключение к сетям отопления, ХВС, ГВС и канализации, смонтировали трубопроводы, запорную арматуру, измерительные приборы, узел ввода холодного водоснабжения, тепловую изоляцию, крепления и консоли под оборудование.
Для обеспечения надежного теплоснабжения и горячего водоснабжения объекта были установлены два настенных газовых котла по 40 кВт с дымоходами, электрический котёл Stout SEB 27 мощностью 27 кВт, два бойлера косвенного нагрева 300 и 500 литров с двумя теплообменниками, насосные группы, распределительный коллектор, гидравлический разделитель, расширительные баки, повысительный насос и циркуляционные насосы ГВС.
Также выполнили монтаж сервоприводов на группы быстрого монтажа и системы автоматической подачи воды.
Отдельное внимание уделили надежности и корректной работе инженерных систем: выполнили заполнение системы теплоносителем, подключение и наладку насосов, датчиков и контролирующих устройств, провели гидравлические испытания систем отопления, ХВС и ГВС, а также выполнили пусконаладочные работы по всему объекту.
В результате заказчик получил модернизированную котельную и полностью подготовленную инженерную систему для стабильного теплоснабжения и горячего водоснабжения нового здания.














